EN
首页
关于壹号娱乐-com
产品中心
新闻中心
加入壹号娱乐-com
联系我们
首页
关于壹号娱乐-com
产品中心
新闻中心
加入壹号娱乐-com
联系我们
EN
CN
汽车产品
工业产品
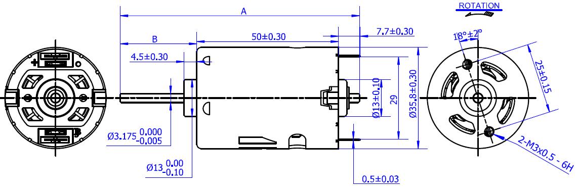
JBSD545M-1
用途:
产品介绍:
产品详情
相关推荐
JW-20
用途:可以使用在货车、小汽车
JBSD785PM
用途:
JBSD775PML
用途:
JBSD775PM-2
用途: